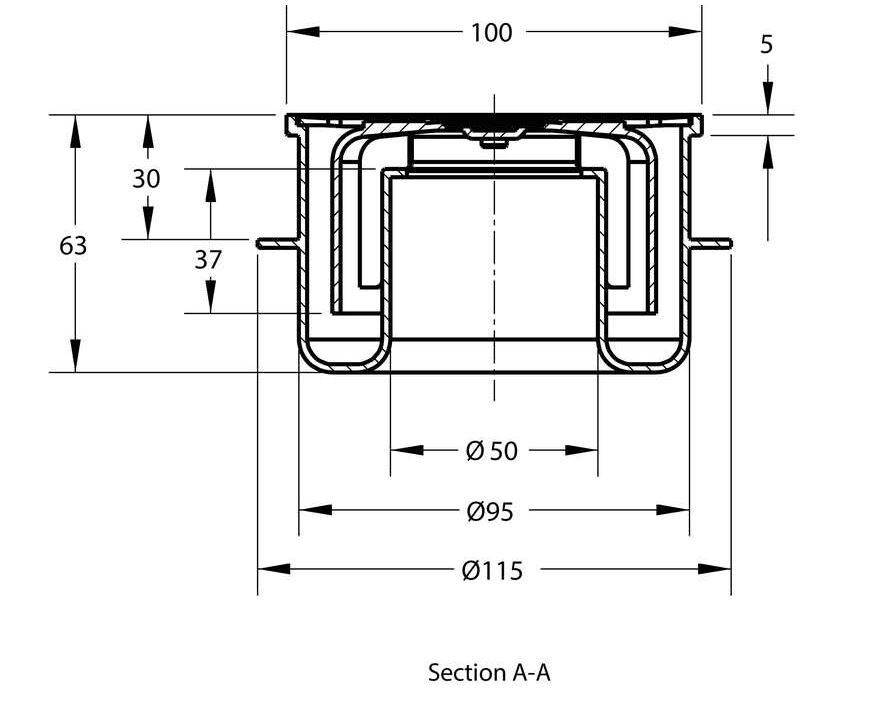
Vloerput 100x100 onderuitloop 0,5l/sec

4122.0013
Bekijk andere uitvoeringen Direct offerte aanvragen
  • Omschrijving
  • Specificaties
  • Specificaties Fabrikant
  • Documenten
  • Certificaten
  • Videos
  • Handleidingen
  • Tekeningen
  • Deeplink
  • Extra informatie

Bekijk ook deze producten